Keyence Clamp-On Flow Meter (FD-R Series)
(FOR STOCK AVAILABILITY OR LEAD TIME, PLEASE CALL +1 (800) 419-5707)
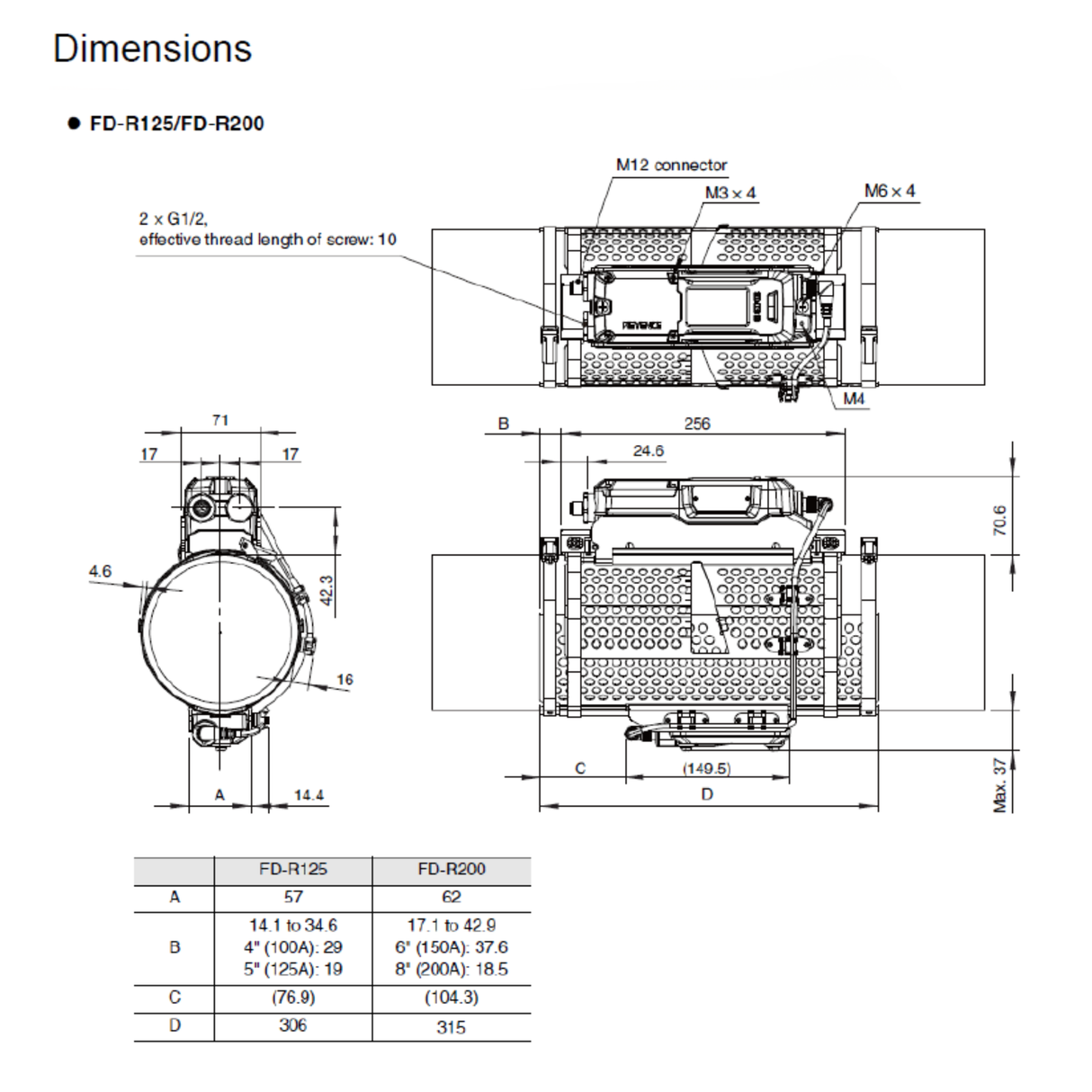
Keyence's FD-R Series digital flow meters clamp-on to pipes up to 8" in diameter, without the need for pipe modifications, ensuring quick installation with zero downtime. These flow meters offer a seamless, non-invasive way to monitor flow and temperature in a wide range of applications. Compatible with various materials—including stainless steel, iron, copper, PVC, and resin—it provides accurate, real-time monitoring for water, oils, chemicals, and other high-pressure liquids. Its rugged IP69K-rated construction ensures long-term durability, even in harsh environments.
Keyence Clamp-On Flow Meter (FD-R Series) - FD-R50 is backordered and will ship as soon as it is back in stock.
Couldn't load pickup availability





